Manfred Weber
Metra Mess- und Frequenztechnik in Radebeul e.K.
PC Vibration Measurement System VibroMetra

Annunciator type Digital Output

 
By means of this type of annunciator alarm states can be signaled via industrially common electrical switching outputs, e.g. relays as well as simple or insulated digital outputs. You can connect electrical annunciators to this switching outputs, e.g. alarm lamps, horns or flashlights.
That is why these annunciators are particularly suitable for stationary installations, e.g. in process or quality control. The variety of electrical outputs is represented by different output modules of the ADAM* system. The system concept allows to extend the annunciators modularly. Thus, VibroMetra can control hundreds of electrical switching outputs.
 
* The ADAM system is a product of Advantech, represented in Germany by the Advantech Europe GmbH.
 

Set-up

 
The measuring PC (1) is connected to a single converter type ADAM-4561 (2) via USB interface. It converts commands for the output modules of the ADAM network (3). Each ouput module contains several electrical switching outputs. Number and type of switching outputs differ depending on the type of output module. The switching outputs control annunciators or signal their state to other devices, e.g. controls or a PLC (4).
 
 

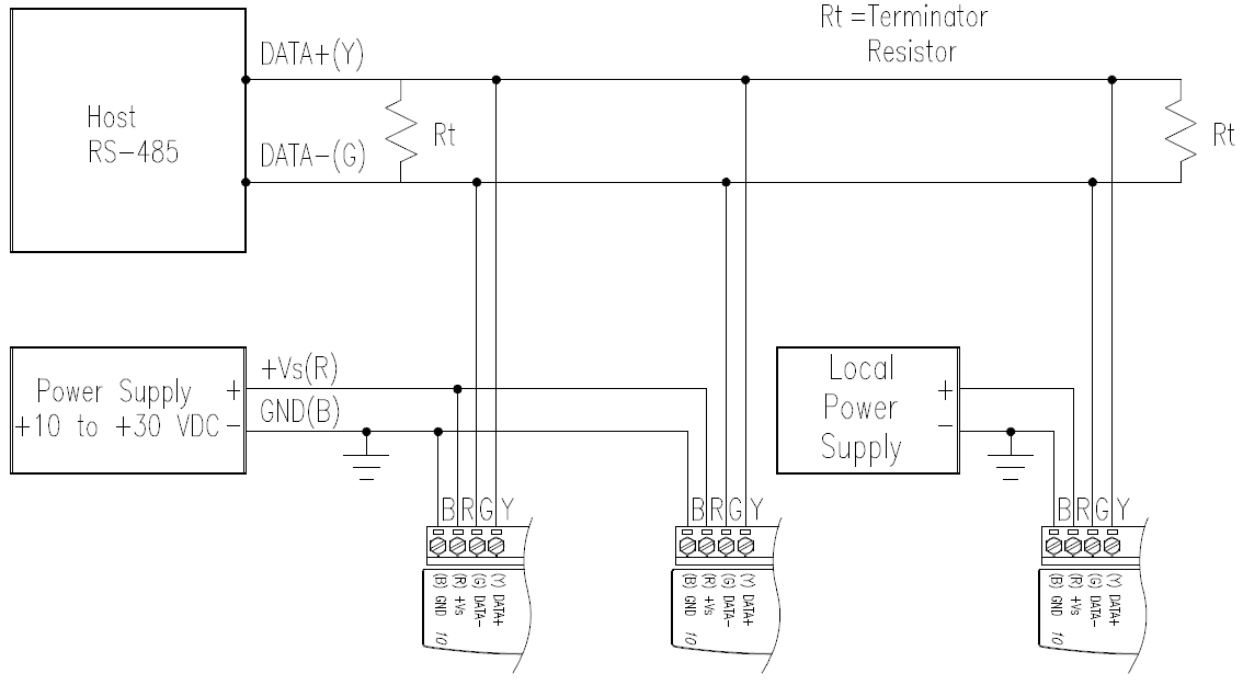
Modules in the ADAM network

 
All modules of an ADAM network can be connected to each other by a twisted pair wire. Without further measures you can connect 32 modules in series. The allowable distance between two modules is up to 1200 m. You can use repeaters for more modules or longer distances.
The RS485 standard is used for communication between the modules. Two terminals are required, the following colors are recommended for the wires:
  • DATA+ Yellow (on module: Y)
  • DATA–  Green (on module: G)
 

Supply

 
The converter ADAM-4561, which connects the ADAM network to the PC, is supplied by the USB interface.
The output modules feature two terminal blocks, to which you can apply a supply voltage of 10..30 V DC. The following colors are recommended for the wires:
  • +Vs Red (on module: R)
  • GND Black (on module: B)
It is not necessary to connect the supply lines of all modules. It is also possible to supply separate modules locally.
 
 
 

Mounting

 
For all ADAM modules, adapters for wall-mounting but also for DIN rail are included in delivery. Additionally, the modules can be screwed to each other.
 

Configuration

 
The configuration is carried out in three steps: