=== DRY RUN — keine Änderungen === [0a] WPML sync_option für schnellauswahl aktuell: 0 — Ziel: 1 (translate) → wird auf 1 gesetzt [0b] ACF Field Group `Schnellauswahl-Link` umbauen Lösche altes Feld: name_deutsch (key=field_64a511cd7065b) Lösche altes Feld: url_german (key=field_64945c029c33e) Lösche altes Feld: name_english_a (key=field_64a511e67065c) Lösche altes Feld: url_english_a (key=field_64a511b77065a) Lege neues Feld `url` an [2] `url` postmeta setzen [3] EN-Translation für DE-only Posts mit gepflegten EN-Werten erzeugen Gefunden: 289 DE-only Posts ============================================= ZUSAMMENFASSUNG ============================================= Test-Posts gelöscht: (skipped — flag --delete-test-posts) url postmeta gesetzt (DE-Posts): 232 url postmeta gesetzt (EN-Posts): 0 url skipped (leer/dash): 41 EN-Translation erzeugt: 289 EN-Translation skipped: 0 Fehler: 0 Nichts geändert. Erneut mit --execute zum echten Ausführen. Messtechnik – mmf-stage.kuw.rocks Skip to main content
mmf-stage.kuw.rocks
  • Produkte
    • Schwingungs­sensoren Schwingungs­sensoren
    • Schwingungs­kalibratoren Schwingungs­kalibratoren
    • Gebäude­schwingung Gebäude­schwingung
    • Messverstärker Messverstärker
    • Maschinen­überwachung und Auswuchtung Maschinen­überwachung und Auswuchtung
    • PC-Messtechnik PC-Messtechnik
    • Schwingungs­messgeräte Schwingungs­messgeräte
    • Human­schwingung Human­schwingung
    • Kabel und Zubehör Kabel und Zubehör
  • Service
    • Neuigkeiten
    • Kalibrier­service
    • Theorie und Normen
    • Videos
    • Produkt­literatur
    • Nutzungs­bedingungen
    • Für Vertriebs­partner
  • Über uns
  • Kontakt
    • Kontaktformular
    • Vertriebs­partner
    • Karriere
  • Merkliste
Generic selectors
Nur exakte Übereinstimmung
Duchsuche Titel
Duchsuche Inhalt
Post Type Selectors
  • Deutsch
    • Englisch
mmf-stage.kuw.rocks
  • Deutsch
    • Englisch
  • Generic selectors
    Nur exakte Übereinstimmung
    Duchsuche Titel
    Duchsuche Inhalt
    Post Type Selectors
  • Produkte
    • Schwingungs­sensoren Schwingungs­sensoren
    • Schwingungs­kalibratoren Schwingungs­kalibratoren
    • Gebäude­schwingung Gebäude­schwingung
    • Messverstärker Messverstärker
    • Maschinen­überwachung und Auswuchtung Maschinen­überwachung und Auswuchtung
    • PC-Messtechnik PC-Messtechnik
    • Schwingungs­messgeräte Schwingungs­messgeräte
    • Human­schwingung Human­schwingung
    • Kabel und Zubehör Kabel und Zubehör
  • Service
    • Neuigkeiten
    • Kalibrier­service
    • Theorie und Normen
    • Videos
    • Produkt­literatur
    • Nutzungs­bedingungen
    • Für Vertriebs­partner
  • Über uns
  • Kontakt
    • Kontaktformular
    • Vertriebs­partner
    • Karriere
  • Merkliste

Theorie und Normen

Möchten Sie sich mit den Grundbegriffen der piezoelektrischen Schwingungsmesstechnik vertraut machen? Die folgenden Seiten bieten einen Lernkurs, in dem die wichtigsten Grundlagen vermittelt werden. Danach sind Sie in der Lage, einen passenden Schwingungsaufnehmer für Ihre Anwendung auszuwählen, zu montieren und anzuschließen.

Themen

  • 1. Einführung
  • 2. Piezoelektrisches Prinzip
  • 3. Sensorsysteme
  • 4. IEPE-Standard
  • 5. Sensordaten
  • 6. Messtechnik
  • 7. Sensorankopplung
  • 8. Sensorverkabelung
  • 9. TEDS
  • 10. Normen
mitgliedslogo-blau

6. Messtechnik

Aufnehmer mit Ladungsausgang

Sensoren mit Ladungsausgang weisen einige Besonderheiten im Vergleich zu anderen Sensoren auf, deren Beachtung unbedingt erforderlich ist, um exakte Messergebisse zu erhalten:

  • Verwenden Sie immer störarme („low noise“) Kabel.
  • Die Kabellänge sollte nicht über 10 m betragen.
  • Das Kabel sollte so verlegt werden, dass es beim Messen nicht bewegt wird.
  • Alle Steckverbindungen müssen fest angezogen sein.

Vorzugsweise sollten Ladungsverstärker zur Signalverarbeitung eingesetzt werden. Alternativ sind auch Wechselspannungsverstärker mit hochohmigem Eingang geeignet. Beide Prinzipien werden im Folgenden erläutert.

Ladungsverstärker

Aufnehmer mit Ladungsausgang erzeugen ein Ausgangssignal in der Größenordnung von einigen Picocoulomb (1pC=1000fC) mit einer sehr hohen Ausgangsimpedanz. Um Standardmesstechnik zur Weiterverarbeitung nutzen zu können, muss es in ein niederimpedantes Signal umgewandelt werden.

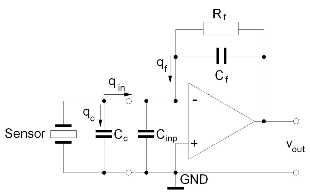
Zu diesem Zweck setzt man vorzugsweise Ladungsverstärker ein. Deren Eingangsstufe besteht aus einem kapazitiv rückgekoppelten Differenzverstärker. Das Ladungssignal am Eingang wird durch das rückgekoppelte Ladungssignal kompensiert. Die am Ausgang anliegende Spannung ist ein Maß für die eingespeiste Ladung. Die Abbildung zeigt schematisch den Aufbau einer solchen Ladungsverstärkerstufe:

Die Eingangsladung qin liegt am Summenpunkt, dem invertierenden Eingang des Differenzverstärkers. Diese Ladung verteilt sich auf die Kabelkapazität Cc, die Eingangskapazität des Verstärkers Cinp und den Rückkoppelkondensator Cf. Die Knotengleichung für den Eingang lautet demzufolge:

Unter Verwendung der elektrostatischen Gleichung:

und Ersetzen von qc, qinp und qf erhält man:

Da die Spannungsdifferenz am Eingang eines Differenzverstärkers unter normalen Betriebsbedingungen Null wird, kann man davon ausgehen, dass die Eingangsspannung uinp gleich Massepotenzial (GND) ist. Mit uinp=0 lässt sich die Gleichung wie folgt vereinfachen:

und nach der Ausgangsspannung uout auflösen:

Das Ergebnis zeigt, dass die Ausgangsspannung eines Ladungsverstärkers lediglich von der eingespeisten Ladung und der Rückkoppelkapazität abhängt. Eingangs- und Kabelkapazitäten bleiben ohne Einfluss. Dies ist interessant zu wissen, wenn ein Beschleunigungsaufnehmer mit unterschiedlichen Kabeln eingesetzt wird.

Der Rückkoppelwiderstand Rf hat die Aufgabe, den Verstärker gleichspannungsmäßig zu stabilisieren und den Ausgang driftfrei zu machen. Gleichzeitig bestimmt Rf die untere Grenzfrequenz des Verstärkers.

Die gezeigte Prinzipschaltung stellt nur die Eingangsstufe eines üblichen Ladungsverstärkers dar. Weitere Stufen, wie Spannungsverstärker, Filter und Integratoren, sind nicht gezeigt

Typische Ladungsverstärker sind zum Beispiel die Geräte der Reihe M72 oder der Ladungsvorverstärker IEPE100 von Metra.

Wechselspannungsverstärker mit hoher Eingangsimpedanz

Anstelle von Ladungsverstärkern eignen sich für Ladungsaufnehmer auch Wechselspannungsverstärker mit sehr hoher Eingangsimpedanz. Im Gegensatz zum Ladungsverstärker müssen in diesem Fall jedoch die Kapazitäten von Sensor, Kabel und Verstärkereingang berücksichtigt werden (Bild).

Der Spannungsübertragungsfaktor Bua eines Sensors mit bekanntem Ladungsübertragungsfaktor Bqa und der Innenkapazität Ci kann nach folgender Formel berechnet werden:

Die Werte für Bqa und Ci findet man im Datenblatt.

Berücksichtigt man die Kapazität des verwendeten Sensorkabels Cc und die Eingangskapazität des Spannungsverstärkers Cinp, ergibt sich der korrigierte Spannungsübertragungsfaktor B´ua wie folgt:

Der korrigierte Spannungsübertragungsfaktor B´ua ist kleiner als Bua. Ein typisches Anschlusskabel vom Typ 009 mit 1,5 m Länge hat eine Kapazität von ca. 135 pF.

Die untere Grenzfrequenz fl wird von Cc, Cinp und Rinp bestimmt:

Die untere Grenzfrequenz steigt mit sinkendem Verstärkereingangswiderstand.

Beispiel: An einen typischen Oszilloskopeingang mit 10MOhm Eingangswiderstand und 20pF Eingangskapazität soll ein Beschleunigungsaufnehmer vom Typ KS56 mit einer Innenkapazität von 370 pF angeschlossen werden. Das Sensorkabel vom Typ 009 hat eine Kapazität von 135 pF.

Ergebnis: Die untere Grenzfrequenz ist ca. 30 Hz.

IEPE-Aufnehmer

Die Besonderheit IEPE-kompatibler Sensoren liegt in der Übertragung von Messsignal und Versorgungsenergie über ein gemeinsames Kabel. Daher kommen Aufnehmer dieses Typs, ebenso wie Ladungsaufnehmer, mit nur einem massebezogenen Koaxialkabel aus. Die folgende Abbildung zeigt das Prinzip der IEPE-Versorgung.

Der im Sensor integrierte Impedanzwandler oder Verstärker wird mit Konstantstrom zwischen 2 und 20 mA versorgt. Typisch ist ein Strom von 4 mA. Einige batteriebetriebene Geräte arbeiten auch mit 1 mA Konstantstrom.

Der Konstantstrom Iconst wird in das Signalkabel eingespeist.

Die Höhe des Konstantstromes und die Kabellänge können unter Umständen die obere Grenzfrequenz beeinflussen.

Der Entkoppelkondensator Cc hält Gleichspannungsanteile vom nachfolgenden Messgerät fern. Die RC-Kombination aus Cc und Rinp wirkt als Hochpassfilter. Die Zeitkonstante muss ausreichend hoch dimensioniert sein, um alle relevanten Signalanteile durchzulassen.

Wichtig:

  • An einen IEPE-kompatiblen Aufnehmer darf unter keinen Umständen eine Spannungsquelle ohne Strombegrenzung angeschlossen werden. Dies würde die Sensorelektronik sofort zerstören.
  • Falschpolung des Sensorkabels kann ebenfalls zur Zerstörung der Elektronik führen.

Aus nachfolgender Abbildung ist ersichtlich, dass IEPE-Beschleunigungsaufnehmer eine einfache Selbsttestmöglichkeit über ihre Arbeitspunktspannung haben.

Aus der am Messgeräteeingang anliegenden Arbeitspunktspannung UBIAS lassen sich folgende Informationen über den Sensorzustand gewinnen:

  • UBIAS < 2 V: Kurzschluss (bzw. negative Übersteuerung)
  • 2 V < UBIAS < 18 V: O.K., Betrieb im Normalbereich
  • UBIAS > 18 V: Messeingang offen, z.B. Kabelbruch oder Stecker locker
← zurück weiter →
  • Metra Meß- und Frequenztechnik Radebeul GmbH & Co. KG
  • Meißner Str. 58a
  • 01445 Radebeul
  • Deutschland
X (Twitter) YouTube Facebook

© 2026 MMF

Produkte

  • Schwingungs­sensoren
  • Schwingungs­kalibratoren
  • Gebäude­schwingung
  • Messverstärker
  • Maschinen­überwachung und Auswuchtung
  • PC-Messtechnik
  • Schwingungs­messgeräte
  • Human­schwingung
  • Kabel und Zubehör

Service

  • Neuigkeiten
  • Kalibrier­service
  • Theorie und Normen
  • Videos
  • Produkt­literatur
  • Nutzungs­bedingungen
  • Für Vertriebs­partner
  • Impressum
  • Merkliste
  • Über uns

Vibrationsrechner

Vibration Calculator

Hz
CPM
m/s²
g
mm/s
in/s
µm
mil
This site is registered on wpml.org as a development site. Switch to a production site key to remove this banner.