KS973.100

Triaxial-Beschleunigungs­sensor mit TEDS

Triaxial-Beschleunigungsaufnehmer in flacher Bauform mit Duchgangsbohrung für allgemeine Anwendungen und Modalanalyse mit Schutzgrad IP67.

Enthält ein elektronisches Datenblatt TEDS (Interface mit DS2431).

Ausgang

IEPE

Achsen

triaxial

Masse

15 g

Empfindlichkeit

100 mV/g

Messbereich

600 m/s²

Untere Grenz­frequenz (3 dB)

0,15 Hz

Obere Grenz­frequenz (3 dB)

10 kHz

Breitband­auflösung (RMS)

0,4 mg

Anschluss

Binder 707 (M5)

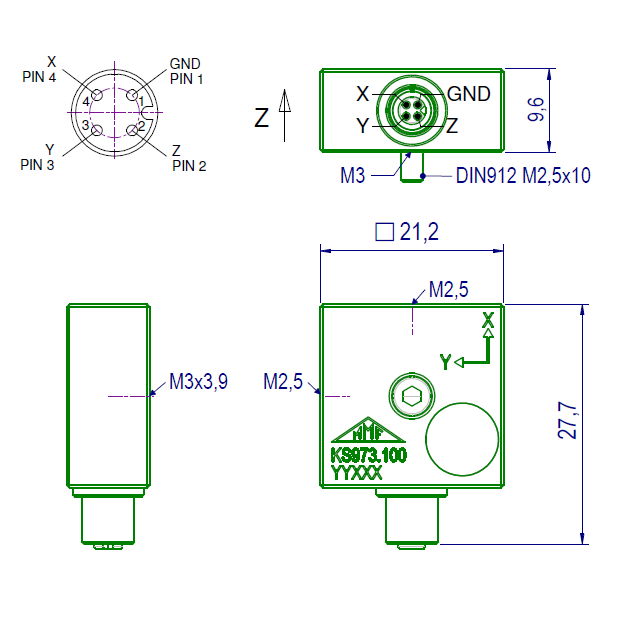
Montage

Durchgangsloch ø2,6, M3-Gewinde (Z), M2,5-Gewinde (X/Y)

Arbeits­temperatur­bereich

-40 .. 100 °C

Schutzart

IP67

TEDS

ja

KS973.100 : ohne Zubehör

  • Sensor mit Kalibrierdatenblatt
  • 2 Jahre Garantie
  • Etui

ZUR BEACHTUNG:

Kalibrierdatenblätter sind keine akkreditierten Berichte und somit nicht von EA MLA (EA Multilateral Agreement) abgedeckt!

Zubehör für dieses Produkt

Ähnliche Produkte