700

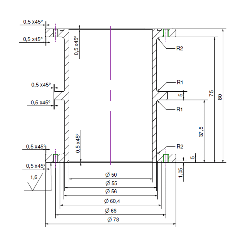
Sensor pressure hull for measurements under water

  • Sensor pressure hull for measurements under water at a pressure of up to 20 Bar / 20 MP, corresponding to 200 m water depth
  • Sea water resistant
  • For sensors with up to Ø50 mm
  • Suitable cables on demand
Sensor coupling

Screw attachment

Sensor thread

M3 (fem.), M5 (male), M5 (fem.), UNF 10-32 (fem.), M8 (fem.)

Mounting thread at test object

M5

Maximum temperature

80 °C

1 PU = 1 piece of the item

Suitable products